schoolФизика
verifiedРешено AI
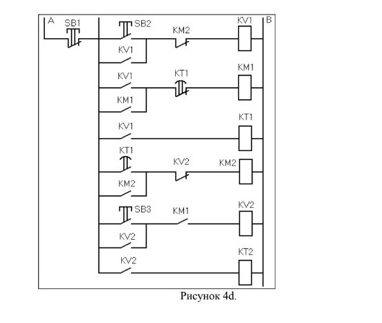
Принцип работы схемы управления (рисунок 4d)
help_outlineУсловие задачи
Напиши подробно принцип работы схемы

lightbulbКраткий ответ
При нажатии кнопки SB2 ток поступает на реле KV1, которое срабатывает и запускает дальнейшую работу схемы. Подробное описание каждого этапа представлено ниже.
Подробное решение
Ниже представлено подробное описание принципа работы электрической схемы, изображенной на рисунке 4d. Данный текст составлен так, чтобы его было удобно переписать в тетрадь.
Описание работы схемы управления
1. Назначение элементов схемы:
- SB1 — кнопка «Стоп» (размыкающая, с фиксацией или без);
- SB2, SB3 — кнопки «Пуск» для различных режимов или направлений;
- KM1, KM2 — катушки магнитных пускателей (силовые контакторы);
- KV1, KV2 — промежуточные реле;
- KT1, KT2 — реле времени.
2. Исходное состояние:
Напряжение подано на зажимы A и B. Все катушки обесточены, контакты находятся в нормальном (разомкнутом или замкнутом) состоянии.
3. Пуск системы (нажатие SB2):
- При нажатии кнопки SB2 ток проходит через замкнутый контакт KM2 на катушку промежуточного реле KV1.
- Реле KV1 срабатывает и замыкает свои контакты. Один контакт KV1 шунтирует кнопку SB2 (самоблокировка), другой подает питание на катушку магнитного пускателя KM1 через размыкающий контакт реле времени KT1.
- Одновременно с этим включается реле времени KT1.
- Пускатель KM1 срабатывает, включая исполнительный механизм (например, двигатель). Контакт KM1 в цепи KV2 размыкается, обеспечивая электрическую блокировку от одновременного включения.
4. Работа выдержки времени (KT1):
- Через заданное время \( t_{1} \) реле времени KT1 срабатывает.
- Размыкающий контакт KT1 в цепи KM1 размыкается, и пускатель KM1 отключается.
- Замыкающий контакт KT1 в следующей ветви замыкается, подавая питание на катушку пускателя KM2 (через защитный контакт KV2).
- Таким образом, происходит автоматическое переключение с одного режима работы на другой.
5. Работа второй части схемы (SB3 и KT2):
- Кнопка SB3 позволяет запустить вторую ветвь схемы вручную. При её нажатии срабатывает промежуточное реле KV2 (если KM1 обесточен).
- KV2 встает на самоблокировку и запускает реле времени KT2.
- Логика работы аналогична первой части: использование реле времени позволяет автоматизировать циклы включения и выключения контакторов KM1 и KM2.
6. Защитные блокировки:
- В схеме реализована взаимная блокировка: пускатель KM2 не может включиться, пока работает KM1 (через размыкающие контакты), и наоборот. Это предотвращает короткое замыкание в силовой цепи.
- Кнопка SB1 является общей для всей схемы и позволяет мгновенно обесточить все катушки, остановив работу системы.
Вывод:
Данная схема представляет собой систему автоматического управления электроприводом с использованием реле времени, обеспечивающую последовательное включение нагрузок с защитой от одновременного срабатывания. Такие решения широко применяются в отечественной промышленности для автоматизации производственных процессов.