schoolФизика
verifiedРешено AI
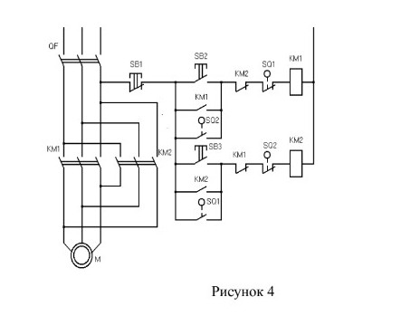
Решение: Реверсивное управление асинхронным двигателем
help_outlineУсловие задачи
Напиши подробно принцип работы схемы

lightbulbКраткий ответ
Схема обеспечивает реверсивное вращение асинхронного двигателя с помощью магнитных пускателей и концевых выключателей, контролирующих крайние положения. Управление осуществляется кнопками пуска и стопа.
Подробное решение
На рисунке 4 представлена электрическая принципиальная схема реверсивного управления асинхронным электродвигателем с использованием магнитных пускателей и концевых выключателей.
Ниже приведено подробное описание принципа работы схемы для записи в тетрадь:
1. Состав схемы:
- QF — автоматический выключатель для защиты цепи и подачи питания.
- KM1, KM2 — катушки магнитных пускателей (контакторов) для вращения «Вперед» и «Назад».
- SB1 — кнопка «Стоп» (с размыкающим контактом).
- SB2, SB3 — кнопки «Пуск» для выбора направления вращения.
- SQ1, SQ2 — концевые выключатели для автоматической остановки двигателя в крайних положениях.
- M — трехфазный асинхронный электродвигатель.
2. Подготовка к работе:
При включении автомата QF напряжение подается на силовые контакты пускателей и в цепь управления.
3. Работа в направлении «Вперед»:
При нажатии кнопки SB2 ток проходит через замкнутую кнопку SB1, контакты SB2, размыкающий контакт KM2 (электрическая блокировка) и концевой выключатель SQ1 на катушку KM1.
Пускатель KM1 срабатывает:
- Замыкаются силовые контакты KM1, и двигатель начинает вращаться.
- Замыкается вспомогательный контакт KM1 (параллельно SB2), обеспечивая «самоподхват» (кнопку SB2 можно отпустить).
- Размыкается блокировочный контакт KM1 в цепи катушки KM2, что исключает одновременное включение двух пускателей (защита от короткого замыкания фаз).
4. Автоматическая остановка и реверс:
Когда механизм достигает крайнего положения, срабатывает концевой выключатель SQ1. Его контакт в цепи KM1 размыкается, катушка обесточивается, и двигатель останавливается.
Для движения в обратном направлении нажимается кнопка SB3. Работа схемы аналогична: включается пускатель KM2, который меняет две фазы местами (как видно на силовой части схемы), и двигатель вращается в другую сторону до срабатывания выключателя SQ2.
5. Защитные блокировки:
В данной схеме реализована двойная блокировка:
- Электрическая: через перекрестное включение размыкающих контактов KM1 и KM2.
- Механическая (зависит от модели пускателя): предотвращает замыкание контактов физически.
Эта схема является классическим примером надежного отечественного инженерного решения, обеспечивающего безопасную эксплуатацию промышленного оборудования.