На изображении представлена схема, которая, судя по всему, является частью системы управления или измерения, возможно, связанной с преобразованием сигналов или контролем параметров. Давайте рассмотрим её по частям.
Объяснение схемы
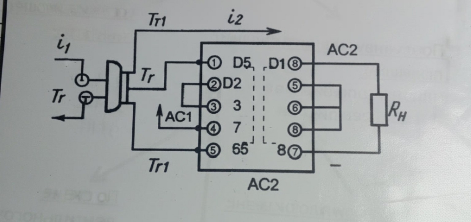
Схема состоит из нескольких основных элементов:
- Входная часть с трансформатором (Tr): Слева мы видим два входа, обозначенные как \(i_1\) и \(Tr\). Эти входы, вероятно, подаются на первичную обмотку трансформатора (или токового датчика), который обозначен как \(Tr\). На выходе этого трансформатора мы видим два провода, один из которых обозначен как \(Tr1\), а другой просто как \(Tr\). Это может указывать на то, что трансформатор используется для гальванической развязки или для преобразования уровня сигнала.
- Основной блок (микросхема или модуль): В центре схемы расположен большой прямоугольный блок с пронумерованными выводами (1-8). Этот блок, скорее всего, является интегральной микросхемой или специализированным модулем. Рядом с некоторыми выводами есть обозначения:
- Вывод 1: D5, D1
- Вывод 2: D2
- Вывод 3: 3
- Вывод 4: 7, AC1
- Вывод 5: 65, Tr1
- Вывод 8: D1, AC2
- Вывод 7: AC2, минус
Обозначения D1, D2, D5 могут указывать на внутренние диоды или другие полупроводниковые элементы, а также на номера выводов, если это многофункциональная микросхема. AC1 и AC2, вероятно, обозначают входы/выходы переменного тока или аналоговые входы/выходы.
- Выходная часть с нагрузкой (RH): Справа мы видим резистор \(R_H\), который подключен к выводам 8 и 7 основного блока. \(R_H\) обозначает нагрузочный резистор. Это означает, что основной блок управляет током или напряжением, протекающим через этот резистор, или измеряет его.
Соединения и потоки сигналов:
- Входной сигнал: Сигнал \(i_1\) и \(Tr\) подаются на трансформатор. Выход трансформатора \(Tr\) подключен к выводу 1 (D5, D1) и выводу 2 (D2) основного блока. Другой выход трансформатора \(Tr1\) подключен к выводу 5 (65, Tr1) основного блока.
- Управление/Измерение: Стрелка \(i_2\) указывает на ток, протекающий от вывода 1 к выводу 8. Это может быть ток управления или измеряемый ток.
- Аналоговые входы/выходы: Вывод 4 обозначен как AC1, а выводы 8 и 7 как AC2. Это подтверждает предположение о работе с переменным током или аналоговыми сигналами.
- Нагрузка: Нагрузочный резистор \(R_H\) подключен между выводами 8 и 7. Это означает, что основной блок, вероятно, является драйвером нагрузки, регулятором тока/напряжения или измерителем, который работает с нагрузкой \(R_H\).
Почему это так (предположения о назначении схемы)
Исходя из обозначений и структуры, можно предположить несколько вариантов назначения схемы:
- Драйвер нагрузки или регулятор мощности: Если основной блок является драйвером, то он принимает входные сигналы (возможно, управляющие) от трансформатора и регулирует ток через нагрузочный резистор \(R_H\). Обозначения D1, D2, D5 могут указывать на наличие диодного моста или других выпрямительных элементов внутри блока, что характерно для схем управления мощностью.
- Измерительный преобразователь: Схема может быть частью измерительного устройства, где трансформатор используется для измерения тока \(i_1\), а основной блок преобразует этот сигнал для дальнейшей обработки или отображения на нагрузке \(R_H\) (например, для калибровки или индикации).
- Оптопара или гальваническая развязка: Трансформатор и внутренние диоды могут указывать на использование оптопары или другого элемента гальванической развязки для защиты управляющей цепи от высоких напряжений или шумов в цепи нагрузки.
Обозначения "D5, D1" на выводе 1 и "D1" на выводе 8, а также "D2" на выводе 2, могут указывать на то, что внутри этого блока находится мостовой выпрямитель или другая диодная схема. Если это так, то трансформатор подает переменное напряжение на этот выпрямитель, а на выходе (возможно, через выводы 8 и 7) формируется выпрямленное напряжение для нагрузки \(R_H\).
Стрелка \(i_2\) указывает на ток, протекающий от вывода 1 к выводу 8. Это может быть ток, который проходит через внутренние элементы блока и затем через нагрузку \(R_H\).
Насколько правильная схема
Схема нарисована в стандартном для электроники стиле, с использованием условных графических обозначений. С точки зрения читаемости и соответствия стандартам, она выглядит корректно:
- Элементы обозначены.
- Выводы пронумерованы.
- Направления токов указаны.
- Соединения четкие.
Однако, без дополнительной информации (например, спецификации на основной блок или контекста, в котором эта схема используется), невозможно точно сказать, является ли она функционально правильной для конкретного применения. Например, если это микросхема, то нужно знать её распиновку и назначение выводов, чтобы подтвердить правильность подключения. Но как графическое представление электрической схемы, она выполнена качественно.
В целом, это типичная схема для преобразования или управления сигналами, где трансформатор обеспечивает развязку или масштабирование, а основной блок выполняет обработку сигнала для управления нагрузкой.
