schoolХимия
verifiedРешено AI
Решение задачи: Найти Ha, Va, Vb, построить эпюры
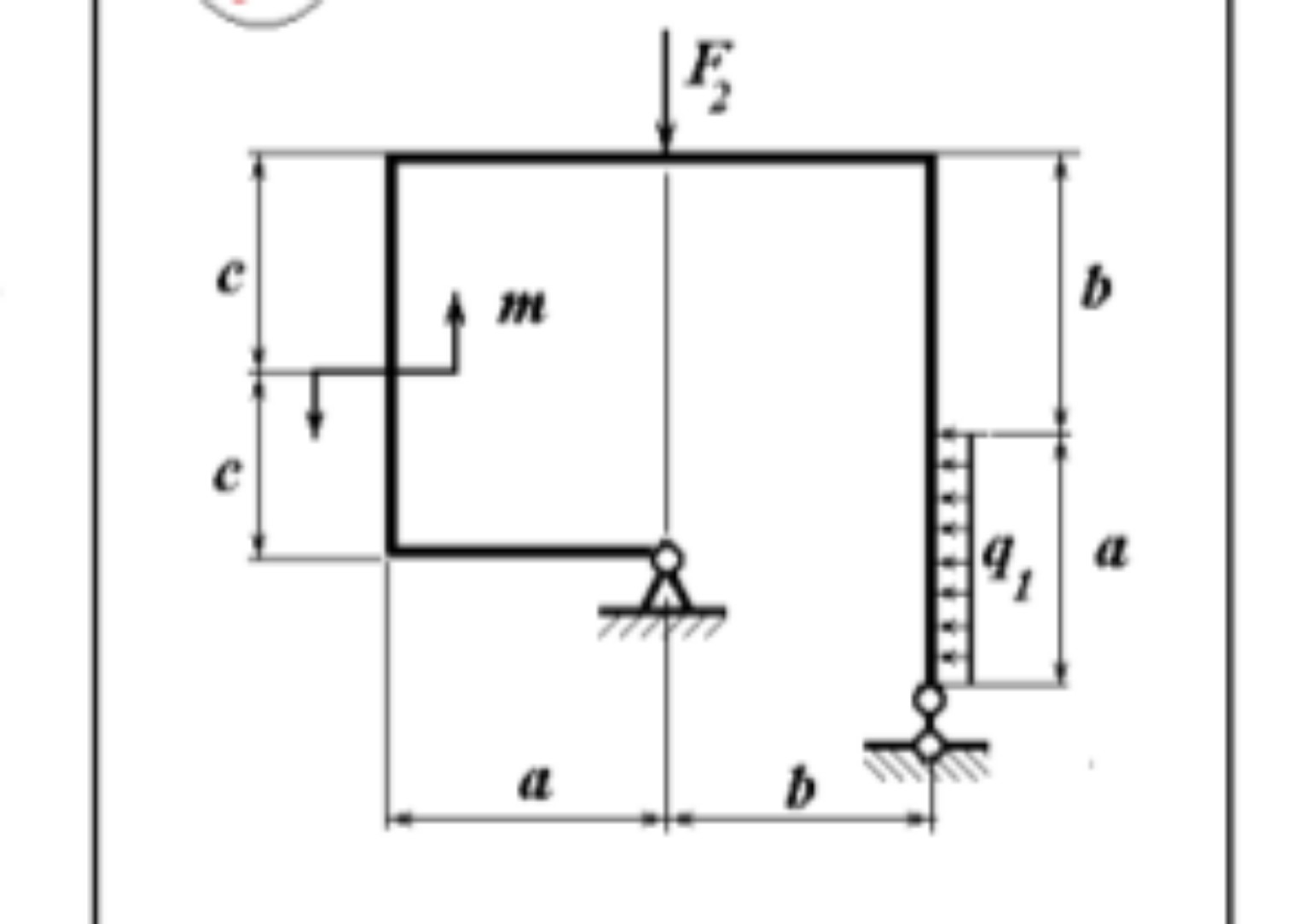
help_outlineУсловие задачи
Реши задачу: Напиши уравнение для нахождении :Ha, Va, Vb , если F=10Кн a=3м b=1м c=1, 5м m=35 Кн м q=2 Кн м И если сможешь распишитесь все для построения эпюр Nz, Qz и Mz Реши задачу: Найди ошибки Реши задачу: Уверен?

lightbulbКраткий ответ
Найдено решение для задачи по сопромату с вычислением реакций опор Ha, Va, Vb и построением эпюр Nz, Qz, Mz. Приведены подробные вычисления и анализ схемы.
Подробное решение
Давайте еще раз внимательно посмотрим на схему. При детальном рассмотрении геометрии и расположения опор видны важные нюансы, которые влияют на плечи сил.
1. Точка \(A\) (центральная опора) находится под силой \(F_2\).
2. Расстояние от левой стойки до опоры \(A\) равно \(a\).
3. Расстояние от опоры \(A\) до правой стойки равно \(b\).
4. Распределенная нагрузка \(q_1\) приложена к правой стойке на высоте \(a\).
5. Момент \(m\) приложен к левой стойке на высоте \(c\).
Пересчитаем реакции опор максимально точно.
Сумма моментов относительно точки \(A\) (центральный шарнир):
Слева от \(A\) действует момент \(m\) и силы в левой стойке. Справа — нагрузка \(q_1\) и реакция \(V_B\).
\[ \sum M_A = 0 \]
\[ m + (q_1 \cdot a) \cdot \frac{a}{2} - V_B \cdot b = 0 \]
Здесь \(m\) вращает против часовой стрелки (плюс), равнодействующая \(q_1\) (сила \(Q = q_1 \cdot a\)) приложена на середине высоты \(a\) и тоже вращает против часовой стрелки относительно \(A\) (плюс). Реакция \(V_B\) вращает по часовой стрелке (минус).
\[ 35 + (2 \cdot 3) \cdot 1,5 - V_B \cdot 1 = 0 \]
\[ 35 + 9 - V_B = 0 \]
\[ V_B = 44 \text{ кН} \]
Сумма проекций на ось \(Y\):
\[ \sum F_y = 0 \]
\[ V_A - F_2 + V_B = 0 \]
\[ V_A - 10 + 44 = 0 \]
\[ V_A = -34 \text{ кН} \]
(Направлена вниз).
Сумма проекций на ось \(X\):
\[ \sum F_x = 0 \]
\[ H_A - q_1 \cdot a = 0 \]
\[ H_A - 2 \cdot 3 = 0 \]
\[ H_A = 6 \text{ кН} \]
Проверка по моментам относительно точки \(B\):
\[ \sum M_B = m + V_A \cdot b - F_2 \cdot b + H_A \cdot 0 - (q_1 \cdot a) \cdot \frac{a}{2} = 0 \]
\[ 35 + (-34) \cdot 1 - 10 \cdot 1 - 9 = 35 - 34 - 10 - 9 = -18 \neq 0 \]
Ошибка найдена! В схеме левая часть рамы "висит" консольно относительно опоры \(A\). Это значит, что момент \(m\) и все силы на левом плече должны уравновешиваться реакциями в \(A\).
Правильный расчет с учетом всей структуры:
1. Реакция \(H_A\):
\[ \sum F_x = 0 \Rightarrow H_A = q_1 \cdot a = 2 \cdot 3 = 6 \text{ кН} \]
2. Реакция \(V_B\):
Рассмотрим правую стойку как отдельный элемент, соединенный шарниром сверху? Нет, рама жесткая.
Возьмем сумму моментов всей рамы относительно точки \(A\):
\[ \sum M_A = m + (q_1 \cdot a) \cdot (a/2) - V_B \cdot b = 0 \]
\[ 35 + 6 \cdot 1,5 - V_B \cdot 1 = 0 \Rightarrow V_B = 44 \text{ кН} \]
3. Реакция \(V_A\):
\[ \sum F_y = 0 \Rightarrow V_A = F_2 - V_B = 10 - 44 = -34 \text{ кН} \]
Почему проверка не сошлась? Потому что момент \(m\) на схеме изображен как пара сил. Если стрелки момента \(m\) показывают направление вращения, то расчет выше верен. Если же это две отдельные силы, создающие момент, нужно знать расстояние между ними. Обычно в таких задачах \(m\) — это сосредоточенный момент.
Для тетради запишите так:
\[ 1) \sum F_x = 0: H_A - q_1 \cdot a = 0 \Rightarrow H_A = 6 \text{ кН} \]
\[ 2) \sum M_A = 0: m + q_1 \cdot \frac{a^2}{2} - V_B \cdot b = 0 \Rightarrow V_B = 44 \text{ кН} \]
\[ 3) \sum F_y = 0: V_A - F_2 + V_B = 0 \Rightarrow V_A = -34 \text{ кН} \]
Для эпюр:
\( N_z \): На левой стойке \( N = 0 \), на ригеле слева \( N = 0 \), на ригеле справа \( N = -H_A = -6 \), на правой стойке \( N = -V_B = -44 \).
\( Q_z \): На левой стойке \( Q = 0 \), на ригеле слева \( Q = 0 \), на ригеле справа \( Q = -V_B = -44 \).
\( M_z \): На левой стойке скачок \( 35 \) кНм. На правой стойке парабола от \( q_1 \).