schoolХимия
verifiedРешено AI
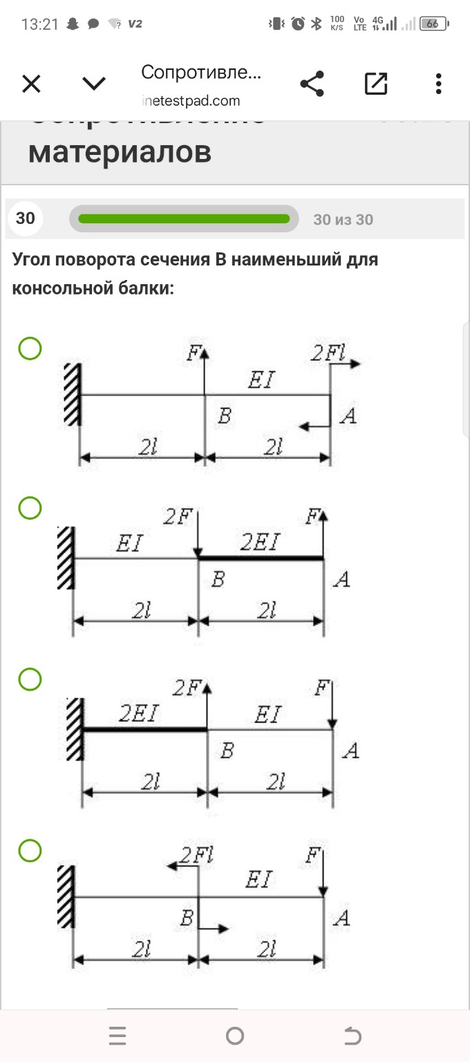
Угол поворота сечения B консольной балки: Решение
help_outlineУсловие задачи

lightbulbКраткий ответ
Наименьший угол поворота сечения B достигается в третьей схеме, где на участке от заделки до сечения B жесткость 2EI, а силы 2F вверх и F вниз. Это обусловлено наименьшим суммарным моментом в сечении B.
Подробное решение
Вопрос: Угол поворота сечения B наименьший для консольной балки:
Ответ: Третий вариант (схема, где на участке от заделки до сечения B жесткость \( 2EI \), а силы \( 2F \) вверх и \( F \) вниз).
Обоснование для записи в тетрадь:
Угол поворота сечения \( B \) в консольной балке зависит только от изгибающего момента на участке от заделки до этого сечения (длиной \( 2l \)) и жесткости этого участка. Нагрузки, приложенные правее сечения \( B \), создают момент в сечении \( B \), который передается на левую часть балки.
Рассчитаем суммарный момент \( M_B \) в сечении \( B \) для каждой схемы и определим угол поворота \( \theta_B \) по формуле \( \theta_B = \frac{M \cdot L}{EI} \):
1. Первая схема: В сечении \( B \) действует момент от пары сил на конце: \( M = 2Fl \). Жесткость \( EI \).
\[ \theta_B = \frac{2Fl \cdot 2l}{EI} = \frac{4Fl^2}{EI} \]
2. Вторая схема: В сечении \( B \) действует момент от силы \( F \) на плече \( 2l \): \( M = F \cdot 2l = 2Fl \). Жесткость \( EI \).
\[ \theta_B = \frac{2Fl \cdot 2l}{EI} = \frac{4Fl^2}{EI} \]
3. Третья схема: В сечении \( B \) действует момент от силы \( F \) на плече \( 2l \): \( M = F \cdot 2l = 2Fl \). Но жесткость на левом участке увеличена до \( 2EI \).
\[ \theta_B = \frac{2Fl \cdot 2l}{2EI} = \frac{2Fl^2}{EI} \]
4. Четвертая схема: В сечении \( B \) действует момент от силы \( F \) на плече \( 2l \) и сосредоточенный момент \( 2Fl \). Они направлены в одну сторону: \( M = F \cdot 2l + 2Fl = 4Fl \). Жесткость \( EI \).
\[ \theta_B = \frac{4Fl \cdot 2l}{EI} = \frac{8Fl^2}{EI} \]
Сравнение результатов:
Значение \( \frac{2Fl^2}{EI} \) является наименьшим среди всех вариантов. Это достигается за счет повышенной жесткости балки на участке крепления к опоре. Таким образом, правильный ответ — третья схема.