schoolФизика
verifiedРешено AI
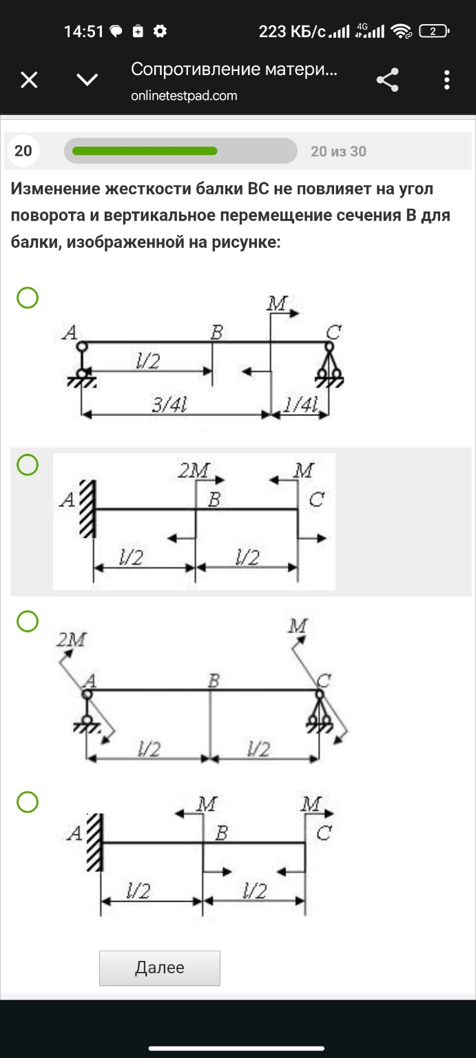
Решение: Жесткость балки BC и деформация
help_outlineУсловие задачи

lightbulbКраткий ответ
Изменение жесткости участка балки, где изгибающий момент равен нулю, не влияет на деформацию всей конструкции. Это связано с тем, что перемещения и углы поворота зависят только от участков с ненулевым изгибающим моментом.
Подробное решение
Вопрос по сопротивлению материалов: Изменение жесткости балки BC не повлияет на угол поворота и вертикальное перемещение сечения B для балки, изображенной на рисунке.
Пояснение:
Перемещения и углы поворота в сечении балки зависят от жесткости только тех участков, на которых изгибающий момент \( M \) отличен от нуля. Если на каком-то участке балки изгибающий момент равен нулю, то изменение его жесткости (модуля упругости \( E \) или момента инерции \( J \)) никак не скажется на деформации всей конструкции.
Рассмотрим представленные варианты схем:
1. На первой схеме (балка на двух опорах с моментом посередине пролета BC) момент на участке BC будет присутствовать, так как есть реакция опоры C.
2. На второй схеме (консоль с моментами \( 2M \) и \( M \)) моменты действуют в разных направлениях. На участке BC действует момент \( M \).
3. На третьей схеме (балка на двух опорах с моментами по краям) реакции опор будут создавать изгибающий момент по всей длине балки.
4. На четвертой схеме (консоль с заделкой в точке A) приложены два момента: \( M \) в точке B (направлен против часовой стрелки) и \( M \) в точке C (направлен по часовой стрелке).
Проанализируем четвертую схему подробнее:
Идем справа налево (от точки C к заделке A).
На участке CB (от \( z=0 \) до \( z=l/2 \)) действует только внешний момент в точке C. Сумма моментов в сечении на этом участке:
\[ M_{CB} = M - M = 0 \]
Так как в точке B приложен точно такой же по величине, но противоположный по направлению момент, они полностью уравновешивают друг друга для всей части балки левее точки B. То есть на участке BC изгибающий момент равен нулю.
Следовательно, деформации (перемещения и углы поворота) в точке B определяются только изгибом участка AB. Состояние участка BC (его жесткость) не влияет на положение точки B, так как этот участок не испытывает изгиба (он просто перемещается как жесткое целое вслед за точкой B).
Правильный ответ:
Четвертая схема (консольная балка с двумя противоположно направленными моментами \( M \) в точках B и C).