schoolФизика
verifiedРешено AI
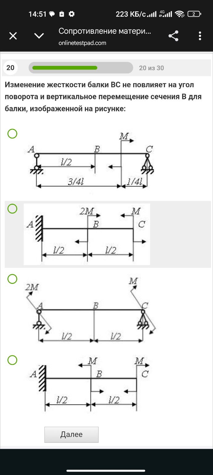
Решение задачи по сопромату: Влияние жесткости балки BC
help_outlineУсловие задачи

lightbulbКраткий ответ
Изменение жесткости участка BC не влияет на угол поворота и вертикальное перемещение сечения B, так как изгибающий момент на этом участке равен нулю. Деформации участка с нулевым моментом не вносят вклад в перемещение точки B.
Подробное решение
Вопрос по сопротивлению материалов: Изменение жесткости балки BC не повлияет на угол поворота и вертикальное перемещение сечения B для балки, изображенной на рисунке.
Пояснение:
Перемещения и углы поворота в конкретном сечении балки зависят от жесткости только тех участков, на которых внутренний изгибающий момент \( M(z) \) не равен нулю. Если на каком-то участке изгибающий момент отсутствует, то деформации этого участка не вносят вклад в перемещение рассматриваемой точки.
Проанализируем четвертую схему (нижний рисунок):
1. Это консольная балка с жесткой заделкой в точке A.
2. В точке B приложен сосредоточенный момент \( M \), направленный против часовой стрелки.
3. В точке C приложен сосредоточенный момент \( M \), направленный по часовой стрелке.
4. Рассмотрим участок BC. Если мы сделаем мысленный разрез на этом участке и рассмотрим правую отсеченную часть (от разреза до свободного конца C), то увидим, что в сечении действует только внешний момент \( M \). Следовательно, на всем участке BC внутренний изгибающий момент постоянен и равен \( M \).
5. Теперь рассмотрим участок AB. Если сделать разрез здесь и посмотреть на правую часть, то мы увидим два момента: \( M \) (от точки C) и \( -M \) (от точки B). Их сумма равна нулю:
\[ M_{AB} = M - M = 0 \]
Это означает, что участок AB вообще не изгибается.
Однако, вопрос стоит иначе: на каком рисунке жесткость участка BC не влияет на точку B?
Вернемся ко второй схеме (сверху вниз):
1. В точке C приложен момент \( M \).
2. В точке B приложен момент \( 2M \) в противоположную сторону.
3. На участке BC момент равен \( M \).
4. На участке AB момент равен \( M - 2M = -M \). Здесь оба участка работают.
Вернемся к четвертой схеме еще раз. Если на участке BC есть момент, он будет изгибаться. Но точка B — это граница между участком AB и BC. Перемещение точки B зависит только от того, как деформировался участок "до нее" (от заделки A до точки B).
Так как на четвертой схеме на участке AB изгибающий момент равен нулю (\( M_{AB} = 0 \)), то участок AB не деформируется. Точка B остается неподвижной (перемещение и угол поворота равны нулю) независимо от того, что происходит на участке BC и какая у него жесткость.
Правильный ответ:
Четвертая схема (нижняя), так как из-за взаимной компенсации моментов на участке AB изгибающий момент равен нулю, и состояние участка BC не может вызвать перемещений в точке B.