schoolМатематика
verifiedРешено AI
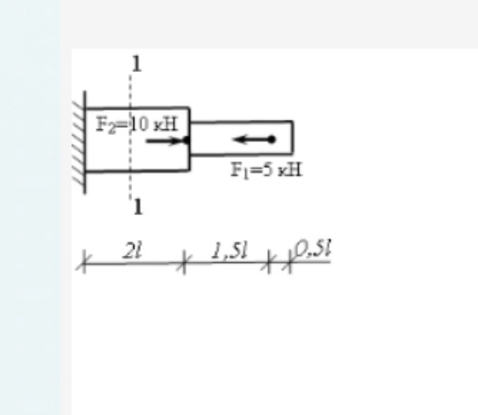
Определение продольной силы в сечении 1
help_outlineУсловие задачи
Определите продольную силу в сечении 1

lightbulbКраткий ответ
Продольная сила в сечении 1 равна 5 кН и вызывает растяжение бруса. Решение выполнено методом сечений с учетом правила знаков.
Подробное решение
Для определения продольной силы в сечении \(1-1\) воспользуемся методом сечений.
1. Рассечем брус по линии \(1-1\) и рассмотрим равновесие правой (отсеченной) части, так как в этом случае нам не нужно находить реакцию заделки.
2. На правую часть действуют две внешние силы:
\(F_2 = 10\) кН — направлена вправо (от сечения);
\(F_1 = 5\) кН — направлена влево (к сечению).
3. Согласно правилу знаков для продольных сил: сила, вызывающая растяжение (направленная от сечения), считается положительной, а сила, вызывающая сжатие (направленная к сечению) — отрицательной.
4. Составим уравнение для продольной силы \(N_1\) в сечении \(1-1\):
\[N_1 = F_2 - F_1\]
Подставим численные значения:
\[N_1 = 10 - 5 = 5 \text{ кН}\]
Так как результат получился положительным, в данном сечении брус испытывает растяжение.
Ответ: 5 кН.