schoolФизика
verifiedРешено AI
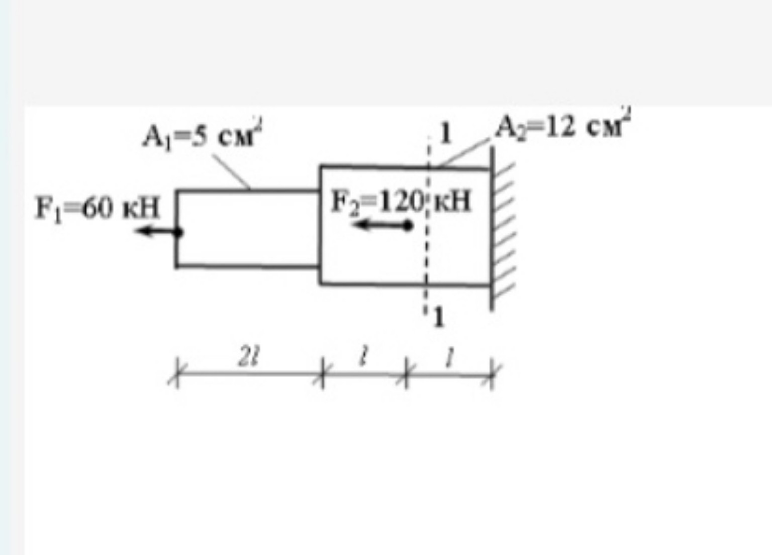
Определение продольной силы и нормального напряжения в сечении 1
help_outlineУсловие задачи
Определите продольную силу в сечении 1 Реши задачу: Определите нормальное напряжение (МПа) в сечении 1

lightbulbКраткий ответ
Продольная сила в сечении 1 равна 180 кН. Нормальное напряжение определяется как отношение продольной силы к площади сечения.
Подробное решение
Для решения задачи воспользуемся методом сечений и формулой для определения нормальных напряжений при растяжении-сжатии.
1. Определение продольной силы в сечении \(1-1\).
Рассечем брус по линии \(1-1\) и рассмотрим равновесие левой (отсеченной) части, чтобы не искать реакцию в заделке.
На левую часть действуют две силы:
\(F_1 = 60\) кН — направлена влево (от сечения, вызывает растяжение);
\(F_2 = 120\) кН — направлена влево (от сечения, вызывает растяжение).
Суммарная продольная сила \(N_1\) в сечении \(1-1\) равна:
\[N_1 = F_1 + F_2 = 60 + 120 = 180 \text{ кН}\]
2. Определение нормального напряжения.
Формула для нормального напряжения \(\sigma\):
\[\sigma = \frac{N}{A}\]
где \(A_2 = 12 \text{ см}^2\) — площадь поперечного сечения в рассматриваемой зоне.
Переведем единицы измерения в систему СИ или совместимые для получения результата в МПа (1 МПа = 100 Н/см\(^2\) или 1 кН/см\(^2\) = 10 МПа):
\(N_1 = 180 \text{ кН}\)
\(A_2 = 12 \text{ см}^2\)
\[\sigma_1 = \frac{180 \text{ кН}}{12 \text{ см}^2} = 15 \text{ кН/см}^2\]
Переводим в МПа:
\[15 \cdot 10 = 150 \text{ МПа}\]
Ответ: 150 МПа.